Process Design and Engineering
DESIGN AND ENGINEERING
Operational efficiency with
Cost optimization
Having worked with many top pharmaceutical companies, we understand the need for not only creating modular and scalable production lines but also systems that are highly efficient and with lower operational costs. Our systems deliver just that.
Achieving operational efficiency also demands high end automation with highly reliable control and monitoring systems that are easy to operate and validate. Our expert process engineers understand your process and engineer a fully customized solutions to suit your exacting needs.
Experience & Expertise in Process Design
Custom design to suit the process & space
High level automation to deliver efficiency
We enable processes that deliver consistency, is efficient and easy to validate
While our customers demand highest yield and quality, we enable this in the most efficient manner ensuring greater system control, easy operation, easy cleaning and easier validation.
IMPROVED EFFCIENCY
Our Key Process Engineering Strengths
Our systems are designed for high efficiency, speed with precise monitoring of processes and enabling higher product yields

Design for Flexibility
Products and batch sizes vary, our design takes these into consideration

Design Modular
Modular systems enable scalability and greater flexibility in batch sizes

Design for Scalability
Our systems enable scaling up as your demand goes up while you start low

Project Budgets
Value engineering and full customization ensures we hit your project budget targets

Operating Efficiency
Our system design enables faster batch completion with lower cost of operation

Precision Control
Our control philosophy and precision instruments enable precise process control

Factory Tested ( FAT )
Fully tested to enable minimal installation & commissioning time at the site

Precise Customization
The system is designed to fit your exacting process needs and to your site geometry
Our Manufacturing Process
Our manufacturing process has been time tested while dynamically evolving to be in sync with the needs of our customers and the industry as a whole. While the macro-steps have largely remained the same the micro-steps have undergone multiple refinement cycles.

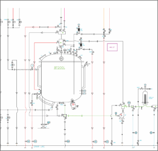
Build P&ID
The system manufacturing process is initiated with the preparation and approval of P&ID drawings. The P&ID accurately captures the arrangement of all instruments, equipments and component like the Vessels, Pumps, Valves and instruments. Once the P&ID is approved, the process of creation of General Assembly (GA) drawings is initiated

General Assembly Drawings
The General Assembly drawings deliver information like the dimensional details, design parameters, quality of surface finish (Ra values), BO specs etc. On approval of this, we proceed to the next stage i.e. 3D design of the system.

Generate 3D Models
We use the latest state of art 3D visualization and simulation software like CATIA & SIEMENS NX. These are great tools for engineering, visualization and simulation. They are also of great help in understanding the integration, size, scale and issues that might arise at the site during the installation and integration with other systems.

System Build
On the basis of the 3D model, the systems are manufactured, assembled and tested. The use of 3D softwares ensures that minimal time is taken to assemble and integrate the system without any delays. The system is then checked for compliance and deviations with the P&ID, GA and the 3D models.